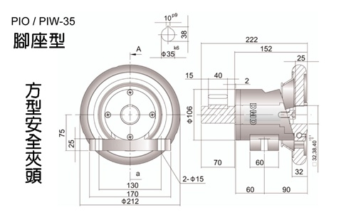
方型安全夾頭35型-腳座型PIO/PIW規格: 1.最大荷重:1600kg 2.承受最大扭力:35kgm 3.方型孔標準尺寸(mm):32、38、40 ◎出軸心直徑標準φ35,軸長70mm ◎出軸心可依客戶需求修改