
世行有限公司
加入時間:2008-01-03資本額:500萬
瀏覽次數:1343by:世行有限
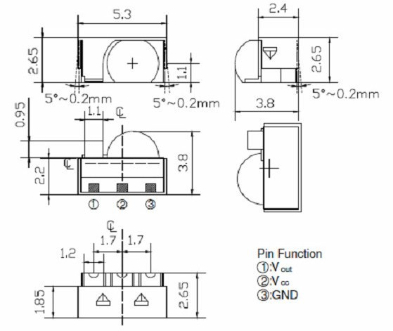
SMD型紅外線接收模組(遙控器用)
INFRARED REMOTE CONTROL RECEIVER MODULE 給電視/音響/冷器等遙控器專用的紅外線接收模組 收發距離最遠可達14公尺

SMD型紅外線接收模組(遙控器用)
INFRARED REMOTE CONTROL RECEIVER MODULE
給電視/音響/冷器等遙控器專用的紅外線接收模組
收發距離最遠可達14公尺

SMD型紅外線接收模組(遙控器用)
世行有限
公司位置:新北市-永和區
統一編號:23098048
聯絡人:楊皆得
電話:02-29279571
服務時間:營業時間:每周一~五,上午 8:30~12:00 下午:1:30~6:00
免費咨詢公司介紹
相關產品
-

SMD型紅外線接收模組(遙控器用)
INFRARED REMOTE CONTROL RECEIV
-

全彩型(3色FULL COLOR)光感器
FULL COLOR AMBIENT LIGHT SENSO
-

紅綠藍 色彩感應器
RGB COLOR SENSOR (CLS)色彩感應器,可用
-
EHP-A07系列
SMD type 1W high power LED輸出功率
-

EHP-B02系列
Full color high power SMD LED全
-

EHP-B03系列
5W HIGH POWER LED5W高功率LED LAMP
-

EHP-L02N系列
10W SMD type HIGH POWER LED10W
-
相關詢價
-
散熱風扇KAKU KA8225HA2SAL
來自:燿OO子OO廠 詢價
***en-zhu@pcbut.com.tw
-
請問歐司朗 23W螺旋燈泡110V價格
來自:廣OO動OO股OO限OO 詢價
***l18@tomort-automation.com.tw
-
安裝監視系統費用?
來自:名OO發OO有OO司 詢價
***gyuan4789541@gmail.com
https://mahyih.web66.com.tw/web/NMD?postId=419686MY-339 瓦斯烤爐 (3層×9盤)
尺寸:198×106×180(cm) 內部尺寸:147.5×81.5×23(cm) 重量:850kg
關鍵字:
#10W#COLOR#CONTROL#DIP#HIGH#INFRARED#LED#MODULE#POW



